北京市凌鹰起重机械厂
地址:北京市昌平区东小口
二十四小时手机:18611422091(同微信)
传真: 010-58043523
网址:m.j4e3.cn
抖音:lyqz18611422091
扫一扫加微信好友




看到有很多人都在网上求电动葫芦的各种电路图,说真的,不是专业的人,怎敢随便回答。凌鹰作为电动葫芦的生产厂家,有回答的资质。下面北京凌鹰根据多年的行业经验,总结了电动葫芦种用到的所有电路图。
电动葫芦电气装置主要又电气控制箱、按钮开关、限位器及连接导线组成。下面是电动葫芦的电器原理图:

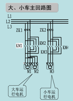
大小车运行电机:其均靠接触器进行控制正反向,接触器均有互锁,其中大车运行电机各带前后两个行走轮,一般为单电机驱动,也有前后双电机配置。下面是大小车主回路图。

卷扬电机和大小车电机一样,也是由两个接触器控制正反向,正反向也具有互锁,不同的是在其回路中串入了断火限位器来作为上升下降的限位。下面是卷扬电机主回路图:

断火限位器作为电动葫芦后一道电气防线,平常不要使其频繁动作,在其下级要再装一个限位开关,二者距离要适当。下面是断火限位器接线图:

控制开关控制盒的操作电压一般为380V或36V,根据按钮开关上所示方向符号,正确按压按钮,通过控制箱内继电器吸合与断开,可以控制葫芦的动作。下面是电动葫芦控制回路图:

以上为电动葫芦用到的电路图,更多起重葫芦专业知识,尽情关注北京凌鹰。
上一条:(图)电动葫芦易损部件——联轴器
下一条:欧式电动葫芦主动行走机构和从动行走机构的结构和工作原理
北京市凌鹰起重机械厂
地址:北京市昌平区东小口
二十四小时手机:18611422091(同微信)
传真: 010-58043523
网址:m.j4e3.cn
抖音:lyqz18611422091
扫一扫加微信好友
